| Sunan samfurin: | lantarki retractable Butterfly bawul | samfurin model: | SD943 |
| Hanyar tuki: | lantarki | Haɗuwa Form: | Faransa |
| Tsarin tsari: | uku eccentric | hatimi kayan: | karfe, bakin karfe |
| Matsin lamba Range: | ≤1.6MPa | Nominal diamita: | DN50-DN2000 |
| Abubuwan da ake amfani da su: | Carbon karfe, bakin karfe | Shawarwarin fasaha: |
A. Electric retractable Butterfly bawul Overview
lantarkiRetractable Butterfly bawulYana dacewa da zafin jiki ≤80 ℃, sanannun matsin lamba ≤1.6MPa na abinci, magani, sinadarai, man fetur, wutar lantarki, sauki, takarda da sauransu don samar da ruwa, gas bututun don daidaitawa kwararar da kuma cutting matsakaicin kafofin watsa labarai rawar, tare da ayyukan biyan kuɗi na bututun zafi inflation da sanyaya. Babban siffofin su ne:
1, zane sabon, m, tsari na musamman, haske nauyi, sauki aiki, bude da kuma rufe da sauri;
2, retractable Butterfly bawul ban da za a iya yin daidaitawa da kuma cutoff aikin, biyan kuɗi da zafi inflation sanyaya aiki samar da bututun zafi bambanci, kuma za a iya samar da sauƙi ga shigarwa maye gurbin, gyara bawul.
3, hatimi sassa za a iya daidaita maye gurbin, hatimi aiki abin dogaro da sauran halaye.
II, lantarki retractable Butterfly bawul amfani da misali
Tsarin ka'idoji: GB / T12238-1989; JB/T8527-1997
flange haɗin size:
GB/T9113.1-2000; GB/T9113.2-2000
GB/T9115.1-2000; GB/T9115.2-2000
Tsawon Tsarin: GB / T12221-1989
Matsin lamba gwaji: GB / T13927-1992; JB/T9092-1999
3, lantarki retractable Butterfly bawul aiki
1. Wutar lantarki: Motor ne uku mataki AC, 380V (musamman oda 660V, 440V ko 220V), 50Hz (musamman oda 60Hz); iko layi ƙarfin lantarki 220V / 50Hz (musamman oda 60Hz); Nisa sarrafa ƙarfin lantarki 24VDC.
2. aiki yanayi:
3. yanayin zafin jiki: -20 - + 60 ℃ (musamman oda -60 - + 80 ℃)
4. dangi zafin jiki: ≤90% (25 ℃ lokacin)
5.General nau'i da waje nau'i don wuraren da babu mai ƙonewa / fashewa da kuma babu lalata kafofin watsa labarai; Kayayyakin fashewa-resistant suna da nau'ikan dbiybiyu biyu na dAkAkAkwai dAkAkAkwai biyu na dAkAkAkAkwai dAkAkAkAkwai Akwai biyu iri dAkAkAkAkAkwai dAkAkAkAkAkwai DDDDDDDDDDDDDDDDDDDDDDDDDDDDDDDDDDDDDDDDDDDDDDDDDDDDDDDDDDDDDDIIBT4 BT4 BT4 BT4 (Duba GB3836.1 don cikakken bayani)
6 Kariya Rating: waje nau'i da fashewa-proof nau'i ne IP55 (za a iya tsara IP67).
7. Aiki tsari: don gajeren lokaci na mintuna 10 (za a iya tsara mintuna 30).
4. Electric retractable Butterfly bawul babban fasaha sigogi
|
Nominal diamita |
DN(mm) | 50~2000 | ||
|---|---|---|---|---|
|
Nominal matsin lamba |
PN(MPa) |
0.6 |
1.0 |
1.6 |
|
Test matsin lamba |
ƙarfin gwaji |
0.9 |
1.5 |
2.4 |
|
Seal gwajin |
0.66 |
1.1 |
1.76 |
|
|
Gas hatimi gwaji |
0.6 |
0.6 |
0.6 |
|
|
Yi amfani da Temperature |
≤80℃ |
|||
|
Amfani da kafofin watsa labarai |
Air, ruwa, tururi, gas, man fetur, da dai sauransu. |
|||
|
Driver nau'i |
Manual, kwalliya kwalliya motsi, gas motsi, lantarki motsi. |
|||
5, lantarki retractable Butterfly bawul babban sassa kayan
|
Nominal diamita |
DN(mm) | 50~2000 | ||
|---|---|---|---|---|
|
Nominal matsin lamba |
PN(MPa) |
0.6 |
1.0 |
1.6 |
|
Test matsin lamba |
ƙarfin gwaji |
0.9 |
1.5 |
2.4 |
|
Seal gwajin |
0.66 |
1.1 |
1.76 |
|
|
Gas hatimi gwaji |
0.6 |
0.6 |
0.6 |
|
|
Yi amfani da Temperature |
≤80℃ |
|||
|
Amfani da kafofin watsa labarai |
Air, ruwa, tururi, gas, man fetur, da dai sauransu. |
|||
|
Driver nau'i |
Manual, Snail ƙafafun motsi, gas motsi, lantarki motsi. |
|||
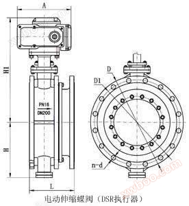
6. Electric retractable Butterfly bawul babban siffar haɗin size
|
|
| lantarki retractable Butterfly bawul Tsarin Chart |
|
Sunan jama'a |
Girman siffar (ƙimar tunani) | Flange size da kuma bolt rami size (daidaitaccen darajar) |
lantarki Na'urori samfurin (Bayani) |
|||||||||||||||||
|---|---|---|---|---|---|---|---|---|---|---|---|---|---|---|---|---|---|---|---|---|
| H | H1 |
zane mafi girma tsawon |
zane ƙaramin tsawon |
zane tsawon |
A | B | 0.6MPa | 1.0MPa | 1.6MPa | |||||||||||
| milimita | D | D1 | D2 | n-d | D | D1 | D2 | n-d | D | D1 | D2 | n-d | ||||||||
|
50 |
80 |
440 |
186 |
156 |
171 |
250 |
255 |
140 |
110 |
88 |
4-14 |
165 |
125 |
99 |
4-18 |
165 |
125 |
99 |
4-18 |
QB10-1 |
|
65 |
95 |
445 |
190 |
160 |
175 |
250 |
255 |
160 |
130 |
108 |
4-14 |
185 |
145 |
118 |
4-18 |
185 |
145 |
118 |
4-18 |
QB10-1 |
|
80 |
98 |
476 |
198 |
166 |
182 |
250 |
255 |
190 |
150 |
124 |
4-18 |
200 |
160 |
132 |
8-18 |
200 |
160 |
132 |
8-18 |
QB10-1 |
|
100 |
114 |
504 |
228 |
188 |
208 |
250 |
255 |
210 |
170 |
144 |
4-18 |
220 |
180 |
156 |
8-18 |
220 |
180 |
156 |
8-18 |
QB10-1 |
|
125 |
128 |
550 |
240 |
201 |
220 |
250 |
255 |
240 |
200 |
174 |
8-18 |
250 |
210 |
184 |
8-18 |
250 |
210 |
184 |
8-18 |
QB20-1 |
|
150 |
139 |
652 |
240 |
206 |
226 |
300 |
315 |
265 |
225 |
199 |
8-18 |
285 |
240 |
211 |
8-22 |
285 |
240 |
211 |
8-22 |
QB20-1 |
|
200 |
174 |
732 |
265 |
219 |
242 |
300 |
315 |
320 |
280 |
254 |
8-18 |
340 |
295 |
266 |
8-22 |
340 |
295 |
266 |
12-22 |
QB60-1 |
|
250 |
215 |
823 |
295 |
240 |
267 |
300 |
315 |
375 |
335 |
309 |
12-18 |
395 |
350 |
319 |
12-22 |
405 |
355 |
319 |
12-26 |
QB60-1 |
|
300 |
245 |
877 |
308 |
254 |
282 |
300 |
315 |
440 |
395 |
363 |
12-22 |
445 |
400 |
370 |
12-22 |
460 |
410 |
370 |
12-26 |
QB120-1 |
|
350 |
270 |
932 |
327 |
272 |
300 |
300 |
315 |
490 |
445 |
413 |
12-22 |
505 |
460 |
429 |
16-22 |
520 |
470 |
429 |
16-26 |
QB120-1 |
|
400 |
305 |
1047 |
368 |
308 |
338 |
300 |
315 |
540 |
495 |
463 |
16-22 |
565 |
515 |
480 |
16-26 |
580 |
525 |
480 |
16-30 |
QB250-1 |
|
450 |
325 |
1092 |
370 |
310 |
340 |
575 |
714 |
595 |
550 |
518 |
16-22 |
615 |
565 |
530 |
20-26 |
640 |
585 |
548 |
20-30 |
QB250-1 |
|
500 |
360 |
1182 |
392 |
332 |
362 |
575 |
714 |
645 |
600 |
568 |
20-22 |
670 |
620 |
582 |
20-26 |
715 |
650 |
609 |
20-33 |
QB250-1 |
|
600 |
445 |
1380 |
441 |
375 |
408 |
656 |
810 |
755 |
705 |
667 |
20-26 |
780 |
725 |
682 |
20-30 |
840 |
770 |
720 |
20-36 |
QB50 |
|
700 |
505 |
1502 |
460 |
400 |
445 |
656 |
810 |
860 |
810 |
772 |
24-26 |
895 |
840 |
794 |
24-30 |
910 |
840 |
794 |
24-36 |
QB50 |
|
800 |
560 |
1545 |
499 |
445 |
475 |
656 |
810 |
975 |
920 |
878 |
24-30 |
1015 |
950 |
901 |
24-33 |
1025 |
950 |
901 |
24-39 |
ZA60 |
|
900 |
630 |
1710 |
520 |
460 |
490 |
785 |
863 |
1075 |
1020 |
978 |
24-30 |
1115 |
1050 |
1001 |
28-33 |
1125 |
1050 |
1001 |
28-39 |
ZA60 |
|
1000 |
680 |
1805 |
600 |
530 |
565 |
785 |
863 |
1175 |
1120 |
1078 |
28-30 |
1230 |
1160 |
1112 |
28-36 |
1255 |
1170 |
1112 |
28-42 |
ZA60 |
|
1200 |
795 |
2096 |
675 |
571 |
623 |
785 |
863 |
1405 |
1340 |
1295 |
32-33 |
1455 |
1380 |
1328 |
32-39 |
1485 |
1390 |
1328 |
32-48 |
ZA120 |
|
1400 |
900 |
2296 |
760 |
684 |
722 |
790 |
1338 |
1630 |
1560 |
1510 |
36-36 |
1675 |
1530 |
1530 |
36-42 |
1685 |
1590 |
1530 |
36-48 |
ZA120 |
|
1600 |
1100 |
2720 |
860 |
770 |
815 |
868 |
1476 |
1830 |
1760 |
1710 |
40-36 |
1915 |
1820 |
1750 |
40-48 |
1930 |
1820 |
1750 |
40-56 |
ZA240 |
|
1800 |
1124 |
2830 |
930 |
830 |
880 |
868 |
1476 |
2045 |
1970 |
1718 |
44-39 |
2115 |
2020 |
1950 |
44-48 |
2130 |
2020 |
1950 |
44-56 |
ZA240 |
|
2000 |
1292 |
3120 |
1020 |
920 |
970 |
965 |
1600 |
2265 |
2180 |
2125 |
48-48 |
2325 |
2230 |
2150 |
48-48 |
2345 |
2230 |
2150 |
48-62 |
ZA240 |
7, lantarki retractable Butterfly bawul shigarwa amfani da lura
1, retractable Butterfly bawul dole ne a daidaita kafin shigarwa, kada a so buga.
2, retractable Butterfly bawul masana'antu lokacin tsarin tsawon ne mafi ƙarancin tsawon, lokacin shigarwa, ja zuwa shigarwa tsawon (watau zane tsawon).
3, lokacin da tsakanin bututun tsawon wuce tsawon batutun batutun batutun batutun batutun batutun batutun batutun batutun batutun batutun batutun batutun batutun batutun batutun batutun batutun batutun batutun batutun batutun batutun batutun batutun batutun batutun bat
4, stretch bawul Butterfly za a iya shigarwa a wani lokaci, don yin zafin jiki diyya, bayan bututun shigarwa kammala, bukatar a biyu ƙarshen kara bracket a gefen bututun shafi shugabanci, hana stretch bawul stretch bututun ja fita, goyon bayan karfin bracket da aka lissafa bisa ga wadannan formula, lokacin aiki tsananin haramtaccen cire bracket.
5, lokacin da ba za a yi zafin jiki diyya, kawai don shigarwa maye gurbin, gyara bawul ne mai sauƙi don amfani, za a iya amfani da wucewa bawul na bawul na bawul na bawul na bawul na bawul na bawul na bawul na bawul na bawul na bawul na bawul na bawul na bawul na bawul na bawul na bawul na bawul na bawul na bawul na bawul na bawul na bawul na bawul Bolt diamita za a iya daidai da flange bolt diamita, da bolt ƙarfi da kuma jure gwaji matsin lamba da bututun jawo, da daidaita don lissafi, aiki lokaci iyaka bolt tsananin haramta cire (bolt daban-daban)
6, bututun gini site tsananin haramtaccen rake rushewa retractable Butterfly bawul.
7, wannan stretchinglantarki Butterfly bawulMachining mai kyau, haɗin kai mai tsanani, don Allah kada a maimaita dogon matsin lamba da ɗan gajeren bawul na Butterfly a wurin. Lokacin da bututun shigarwa, bukatar pulling bawul biyu karshen bututun dole ne concentric, biyu flanges a kan bututun bukatar daidai.
8, Flange tabbatar da bolt ya kamata symmetrically ƙarfafa, don Allah kada a daya gefe tilasta ƙarfafa flange tabbatar da bolt.
9, Jirgin bututu shigar bayan bawul.
10, batutuwa bawul batutuwa sassa ba za a shigar a kusurwar bututun ko bututun karshen.


